 » Как правильно вставить
 » Как правильно вставить
				  
				  Как правильно вставить процессор
Как установить процессор LGA115x в разъем
Последняя редакция: 24-Feb-
Идентификатор статьи: 000005762
Эти инструкции применимы к в штучной упаковке LGA1150/LGA1155/LGA1156-based процессоры и теплоотводы с вентилятором из-за подобия процесса установки. Обратите внимание на то, что эти процессоры не совместимы между теми разъемами из-за электрических, механических, и вводящих различий.
Посетите Центр Intel® Processor Installation для получения дополнительной информации об интегрирующихся процессорах для настольных ПК.
Эти инструкции предполагают, что процессор в штучной упаковке и теплоотвод с вентилятором являются новыми, и фабрика применялась, теплопроводящий материал применяется к нижней части теплоотвода с вентилятором.
У основания этой страницы существуют ссылки к документам установки для каждого разъема. Эти документы включают информацию о том, как сбросить защелки теплоотвода с вентилятором, как повторно применить теплопроводящий материал и ссылку к видео установки.
Удалите защитную крышку из пластины загрузки. Не отбрасывайте защитную крышку. При удалении процессора всегда заменяйте крышку разъема.
Содержите процессор со своим ползунком и указательными пальцами. Удостоверьтесь, что метки разъема выравниваются с метками процессора. Понизьте процессор прямо вниз, не наклоняясь или двигая процессор в разъеме. Мягко выпустите процессор, удостоверившись, что он усажен правильно в разъеме.
Очень мало силы требуется, чтобы закрывать пластину загрузки. Надавите на пластину загрузки, близко, и затроньте ручку разъема.
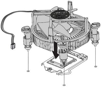
С системной платой, установленной в корпусе, помещенном теплоотвод с вентилятором на системную плату, выравнивая застежки через дыры. Выровняйте застежки через дыры правильно, или Вы рискуете наносить ущерб нижней части застежек. Также бойтесь наносить ущерб теплопроводящему материалу, присоединенному к нижней части теплоотвода с вентилятором.
Оттолкните на вершине каждой из застежек в альтернативном образце, как показано ниже, при содержании теплоотвода с вентилятором на месте. Необходимо услышать “щелчок” при отталкивании каждую застежку. Мягко остановитесь на каждой застежке, чтобы удостовериться, что надежно присоединяются все четыре застежки. Одинокая застежка предотвращает хорошую изоляцию между теплоотводом с вентилятором и процессором, и может привести к ненадежной эксплуатации процессора.
Подключите процессор 4-проводной разъем кабеля вентилятора к системной плате 4-контактный коннектор вентилятора процессора. (Процессор, 4-проводной разъем кабеля вентилятора может быть подключен к системной плате 3-контактный коннектор вентилятора процессора, если 4-контактный коннектор вентилятора процессора недоступен.)
Разъем на материнской плате именуется, как Intel LGA 1156 сокет, он предназначен для установки процессоров Intel i3, i5 и i7. Чтобы открыть сокет, аккуратно нажмите на рычаг ручки вниз и в сторону от гнезда и поднимите вверх. Это освободит пластиковый протектор. Поднимите пластиковый протектор и удалить его из разъема.
В отличие от старых моделей процессоров Intel, материнская плата с сокетом LGA1156 не имеет отверстий. Вместо отверстий, сокет имеет 1156 торчащих флажков. Эти контакты соединяют материнскую плату с процессором. Обратите внимание, что сокет 1156 не совместим с 1155 сокетом для процессоров на базе нового поколения Intel Sandy Bridge.
Для примера будем использовать процессор Intel i3 540, которые являются первым поколением i3 процессоров. Выньте процессор и кулер из коробки, и оставить его в стороне.
При установке процессора в гнездо нужно быть очень осторожным, чтобы установить все правильно. Убедиться, что для процессора i3 540 подходит только один способ установки, для этого на совете расположены 2 ключа для правильной ориентации CPU. Существует также небольшой золотой треугольник в одном из углов, он указывает на контакт №1. Если все будет сделано правильно, то процессор легко попадет в нужное место.
Закройте рычаг, который выполняет захват процессора.
Далее, нужно установить процессорный радиатор и кулер. Если Вы приобрели коробочный вариант процессора (BOX), то упаковке должен лежать радиатор и кулер Intel. Он уже имеет нанесенную термопасту, так что нет никакой необходимости добавлять дополнительную. Кулер имеет разъем с 4-мя контактами, которые идеально подходят к разъему на материнской плате. Поместите радиатор на верхней части отверстий. Нажмите на вершину каждого из рычагов до характерного щелчка. Это верный знак, что радиатор надежно заперт в правильном положении.
Возьмите разъем питания кулера и присоедините его к 4-х контактному разъем вентилятора на плате, например с надписью CPU_FAN. Это очень важный момент, поскольку благодаря этому разъему, кулер процессора получает инструкции о необходимой скорости процессора и о моменте запуска и остановки. И все для того, что бы держит постоянно процессор холодным.
Популярные статьи:
Источник: http://itcom.in.ua/stati/sborka-kompyutera/715-kak-samomu-ustanovit-protsessor-na-primere-intel-i3-540-socket-1156.htmlУстанавливаем процессор в настольном ПК.
Компьютер без процессора – это не компьютер, поэтому именно с этого компонента обычно начинается сборка и обновление машины. Если вы хотите иметь быстрый, мощный и полнофункциональный ПК, то необходим наилучший из доступных вам процессор. Это не всегда означает приобретение самой дорогостоящей модели, но требует вдумчивого подхода к выбору микросхемы. Каковы же будут ваши действия поле того, как вы купили процессор ?
Установка процессора кажется сложной задачей, но на самом деле это не так. Процесс всегда состоит из четырех основных этапов (открыть гнездо, установить процессор. закрыть гнездо и установить охладитель), однако может различаться в деталях в зависимости от типа используемого процессора (AMD или Intel) и его модели. К счастью, любой процессор можно установить на системной плате всего за несколько минут. При этом от вас потребуется аккуратность и внимательность, но саму процедуру нельзя назвать сложной.
Ниже описаны действия по установке процессоров в наиболее распространенных гнездах системных плат: Intel LGA1155 (средний уровень) и LGA (высокий уровень) и AMD.
Гнездо LGA1155 используется для массовых процессоров Intel (модель Core третьего поколения или «Ivy Bridge»). У гнезда этого типа традиционная конструкция, и наши простые рекомендации подходят также для гнезд LGA1156, LGA1366 и LGA775 предшествующих поколений.
Освободите рычажок, удерживающий крышку гнезда. На системной плате, только что вынутой из коробки, гнездо закрыто защитной пластмассовой пластиной; ее нужно снять перед выполнением дальнейших действий. Металлическая крышка гнезда удерживается на месте рычажком, расположенным на одной из сторон гнезда. Освободите рычажок и поднимите его.
Откройте гнездо. Поднимите удерживающий рычажок вверх до конца. Крышка гнезда автоматически откроется, как только рычажок достигнет верхнего положения.
Вставьте процессор. Золотой треугольник в одном из углов процессора соответствует треугольнику в одном из углов гнезда. Совместите треугольники, чтобы правильно расположить процессор. Аккуратно вставьте процессор в гнездо, золотыми контактами вниз, стараясь как можно меньше давить на миниатюрные золотые выводы внутри гнезда (повредить их трудно, но можно).

Закройте гнездо. После того как процессор установлен, верните на место удерживающий рычажок. Сторона крышки с выемкой вдвинется под круглую головку винта возле нижней части гнезда. Когда рычажок займет нижнее положение, закрепите его на боковой стороне гнезда, в исходном положении.
Установите охладитель. Если вы впервые устанавливаете охладитель, поставляемый вместе с новым процессором, то на него должна быть уже нанесена термопаста. В случае повторного использования охладителя термопасту необходимо нанести самостоятельно. Просто поместите каплю размером с небольшую горошину в центр процессора. Установите радиатор на процессор, затем нажмите на две стойки в противоположных углах, пока не услышите слабый щелчок. Повторите действие с двумя другими стойками. Проверьте надежность крепления радиатора, слегка потянув его вверх. Если он не смещается, можно продолжать сборку.
Гнездо Intel LGA для процессоров семейства Sandy Bridge-Extreme потребует от вас примерно таких же действий, что и гнездо LGA1155, но с одним важным отличием.
Поднимите первый удерживающий рычажок. Как и LGA1155, гнездо LGA закрыто защитной пластмассовой пластиной, которую необходимо снять, прежде чем переходить к дальнейшим действиям. Но, в отличие от LGA1155, большая крышка гнезда LGA закреплена не одним, а двумя рычажками. К счастью, вам не нужно гадать, как поступить в этой ситуации; в большинстве случаев указание, в какой последовательности поднимать рычажки, имеется на самой крышке. Следуя инструкции, отведите нужный рычажок в сторону и поднимите его вверх.
Поднимите второй удерживающий рычажок. Повторите точно такую же процедуру со вторым удерживающим рычажком.
 Вставьте процессор. Как и в случае с гнездом LGA1155, чтобы правильно вставить процессор, достаточно совместить треугольники на процессоре и на гнезде. После этого вставьте процессор в гнездо, предварительно аккуратно выровняв его.
Закройте второй удерживающий рычажок. После того как процессор вставлен, нужно закрыть гнездо. Для этого закройте два рычажка в порядке, обратном тому, в котором они были открыты. Поэтому нажмите вниз второй рычажок и закрепите его под боковой стороной гнезда.
Закройте первый удерживающий рычажок. Надавите вниз первый рычажок и закрепите его под боковой стороной гнезда. Теперь гнездо закрыто и в нем надежно закреплен процессор. Осталось лишь нанести термопасту и установить охладитель.
Установка процессора AMD незначительно отличается от установки процессора Intel. Конструкции всех гнезд AMD нескольких последних поколений в основном схожи, поэтому наши инструкции распространяются на все процессоры.
Как и гнезда Intel, гнезда AMD защищены удерживающим рычажком. Поднимите его, чтобы открыть гнездо. Обратите внимание на отсутствие крышки, поднимающейся при движении рычажка. В данном случае перемещается (совсем немного) все гнездо.
Вставьте процессор. В ЦП AMD штырьки расположены на процессоре, а не внутри гнезда. Это увеличивает опасность их погнуть, но, если аккуратно обращаться с микросхемой, риск невелик. Вновь обратите внимание на треугольники: один на процессоре, другой на гнезде; когда они совмещены, процессор ориентирован правильно. Правильно вставленный процессор должен плотно прилегать ко дну гнезда; убедитесь в этом, прежде чем переходить к следующему шагу.
Закройте гнездо. Закройте гнездо так же, как вы его открыли: с помощью удерживающего рычажка. Имейте в виду, что, поскольку гнездо плотно охватывает контакты, очень важно правильно вставить процессор, прежде чем опустить и закрепить рычажок. Иначе можно погнуть штырьки. Их можно будет выпрямить, но для этого потребуется много времени и терпения.
Установите охладитель. Типовые охладители AMD крепятся иначе, чем модели Intel, несмотря на некоторое сходство между ними. Проверьте, нанесена ли на радиатор термопаста; если нет, нанесите каплю пасты на поверхность процессора. Установите охладитель на микросхему и потяните металлическое крепление так, чтобы оно располагалось приблизительно одинаково с обеих сторон охладителя. Это облегчит выполнение следующего шага.
Закрепите охладитель. С каждой стороны охладителя имеется металли-ческая застежка с отверстием. Наденьте одно из отверстий на соответствующий выступ на гнезде. Удерживая обе детали одной рукой, повторите операцию с другой стороны.
Опустите рычаг. Надев обе металлические застежки на выступы гнезда, поднимите толстый черный рычаг на одной из сторон охладителя и надавите на него вниз. Когда рычаг находится в нижнем положении, охладитель надежно закреплен и не будет двигаться, даже если вы попытаетесь выдернуть его. Установка процессора и охладителя AMD выполнена.

 Не знаете, как правильно 
 выбрать комплектующие и собрать компьютер?
Обратите внимание на видеокурс 
 «Сборка компьютера от А до Я». который научит Вас 
 подбирать и собирать любые конфигурации ПК.
Оставить комментарий или два
Источник: http://www.dycsincomp.ru/sborka-kompyutera/ustanavlivaem-processor-v-nastolnom-pk.htmlИсточники: http://www.intel.ru/content/www/ru/ru/support/processors/000005762.html, http://itcom.in.ua/stati/sborka-kompyutera/715-kak-samomu-ustanovit-protsessor-na-primere-intel-i3-540-socket-1156.html, http://www.dycsincomp.ru/sborka-kompyutera/ustanavlivaem-processor-v-nastolnom-pk.html
Комментариев пока нет!
Поделитесь своим мнением
- ввести
- вставить
- заварить
- заполнять
- заряжать
- колоть укол
- крышу
- одеть
- подбирать
- проводить
- разное
- своими руками
- сдать
- собирать
- стелить
- точить
- уложить
- Правильное меню
- Правильный массаж
Как правильно:
Статьи по теме
| Правильно собирать листья лопуха | |
| Лопух в рецептах народной медицины Лопух большой - далее... | |
| Как правильно заполнять документы на тендер | |
| Как подать заявку на тендер В этой статье далее... | |
| Как правильно заварить кальян на воде | |
| Правильное приготовление кальяна 2. Укладка табака После того, как вода далее... | |
Популярные
Правильно проводить человека последний путь (140)
Как правильно проводить корректировочный счет фактуру (63)
Правильно ввести остатки 1с 8 3 (55)
Как правильно заполнять налоговую декларацию 3 ндфл (53)
Как правильно забивать кальян видео (47)
Журнал производства работ как правильно заполнять (45)
Наиболее читаемые
| Ввести в склад як правильно | |
| Технология создания электронной таблицы в Excel Рассмотрим далее... | |
| Как правильно стоя одеть бандаж для беременных | |
| Как правильно носить бандаж для беременных Многие будущие далее... | |
| Как правильно сдать анализ на эстрогены | |
| Женский гормон Эстроген Поговорим о самых женственных далее... | |
